Главная > Подшипники> Линейные>KBL25112-PP

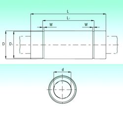
KBL25112-PP — импортное производство по ISO стандарту, размер 25x40x112 номер основного исполнения KBL25112.
Производитель: NBS.
P = Литой сепаратор из стеклонаполненного полиамида 6,6, центрируемый по телам качения.
Цена по запросу
Цена на подшипник зависит от:
| Обозначение | Модификация |
|---|---|
| KBL25112 | Основное конструктивное исполнение. |
Габаритные размеры
Размеры и геометрические характеристики
Нагрузка и ресурс
Защита
Конструкция и исполнение
Другие размеры