Главная > Подшипники> Линейные>KBKL 30-PP

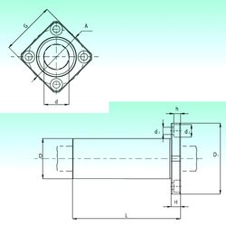
KBKL 30-PP — Линейный шариковый подшипник, импортное производство по ISO стандарту, размер 30x47x123 номер основного исполнения KBKL30.
Производитель: NBS.
P = Литой сепаратор из стеклонаполненного полиамида 6,6, центрируемый по телам качения.
Цена по запросу
Цена на подшипник зависит от:
| Обозначение | Модификация |
|---|---|
| KBKL 30 | L = массивный сепаратор из лёгкого сплава. |
Габаритные размеры
Размеры и геометрические характеристики
Нагрузка и ресурс
Защита
Конструкция и исполнение