Главная > Подшипники> Линейные>KBKL 20-PP

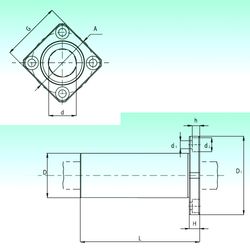
KBKL 20-PP — Линейный шариковый подшипник, импортное производство по ISO стандарту, размер 20x32x80 номер основного исполнения KBKL20.
Производитель: NBS.
P = Литой сепаратор из стеклонаполненного полиамида 6,6, центрируемый по телам качения.
Цена по запросу
Цена на подшипник зависит от:
| Обозначение | Модификация |
|---|---|
| KBKL 20 | L = массивный сепаратор из лёгкого сплава. |
Габаритные размеры
Размеры и геометрические характеристики
Нагрузка и ресурс
Защита
Конструкция и исполнение