Главная > Подшипники> Линейные>KBH 20

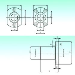
KBH 20 — импортное производство по ISO стандарту, размер 20x32x42 номер основного исполнения KBH20.
Производитель: NBS.
Цена по запросу
Цена на подшипник зависит от:
| Обозначение | Модификация |
|---|---|
| KBH 20-PP | P = Литой сепаратор из стеклонаполненного полиамида 6,6, центрируемый по телам качения. |
Габаритные размеры
Размеры и геометрические характеристики
Нагрузка и ресурс
Защита
Конструкция и исполнение
Другие размеры
Линейный шариковый подшипник LM20UU (CX, Samick)
Подшипник шариковый линейный LM20AJ (CX, Samick)