Главная > Подшипники> Линейные>KBH 13

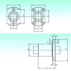
KBH 13 — импортное производство по ISO стандарту, размер 13x23x32 номер основного исполнения KBH13.
Производитель: NBS.
Цена по запросу
Цена на подшипник зависит от:
| Обозначение | Модификация |
|---|---|
| KBH 13-PP | P = Литой сепаратор из стеклонаполненного полиамида 6,6, центрируемый по телам качения. |
Габаритные размеры
Размеры и геометрические характеристики
Нагрузка и ресурс
Защита
Конструкция и исполнение
Другие размеры