Главная > Подшипники> Линейные>KBH 10

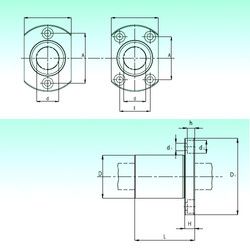
KBH 10 — импортное производство по ISO стандарту, размер 10x19x29 номер основного исполнения KBH10.
Производитель: NBS.
Цена по запросу
Цена на подшипник зависит от:
| Обозначение | Модификация |
|---|---|
| KBH 10-PP | P = Литой сепаратор из стеклонаполненного полиамида 6,6, центрируемый по телам качения. |
Габаритные размеры
Размеры и геометрические характеристики
Нагрузка и ресурс
Защита
Конструкция и исполнение
Другие размеры
Подшипник шариковый линейный 6-410800 Х1
Подшипник шариковый линейный LM10OP (CX)