Главная > Подшипники> Линейные>KBH 08

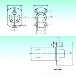
KBH 08 — импортное производство по ISO стандарту, размер 8x15x24 номер основного исполнения KBH08.
Производитель: NBS.
Цена по запросу
Цена на подшипник зависит от:
| Обозначение | Модификация |
|---|---|
| KBH 08-PP | P = Литой сепаратор из стеклонаполненного полиамида 6,6, центрируемый по телам качения. |
Габаритные размеры
Размеры и геометрические характеристики
Нагрузка и ресурс
Защита
Конструкция и исполнение
Другие размеры
Линейный шариковый подшипник KH0824PP (CX, NBS)
Линейный шариковый подшипник KH0824 (NBS, NTN)
Подшипник шариковый линейный LM08UU (CX)
Подшипник шариковый линейный LM08OP (CX)
Подшипник шариковый линейный LM08AJ (CX)