Главная > Подшипники> Линейные>KBH 06

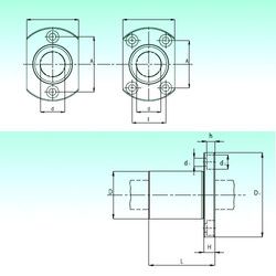
KBH 06 — импортное производство по ISO стандарту, размер 6x12x19 номер основного исполнения KBH06.
Производитель: NBS.
Цена по запросу
Цена на подшипник зависит от:
| Обозначение | Модификация |
|---|---|
| KBH 06-PP | P = Литой сепаратор из стеклонаполненного полиамида 6,6, центрируемый по телам качения. |
Габаритные размеры
Размеры и геометрические характеристики
Нагрузка и ресурс
Защита
Конструкция и исполнение
Другие размеры
Подшипник шариковый линейный LM06UU (CX)
Подшипник шариковый линейный LM06AJ (CX)
Подшипник шариковый линейный LM06OP (CX)