Главная > Подшипники> Линейные>KBF60

KBF60 — импортное производство по ISO стандарту, размер 60x90x125 основное исполнение.
Производитель: NBS.
Цена по запросу
Цена на подшипник зависит от:
| Обозначение | Модификация |
|---|---|
| KBF60-PP | P = Литой сепаратор из стеклонаполненного полиамида 6,6, центрируемый по телам качения. |
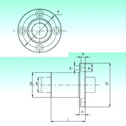
Габаритные размеры
Размеры и геометрические характеристики
Нагрузка и ресурс
Защита
Конструкция и исполнение
Подшипник шариковый радиальный 6-510812 Л2С17
Закрытый линейный подшипник скольжения LPAT 60 (SKF)
Линейный шариковый подшипник LPAR 60 (SKF)
Линейный шариковый подшипник KB60125-PP (NBS)