Главная > Подшипники> Линейные>KBF25-PP

KBF25-PP — импортное производство по ISO стандарту, размер 25x40x58 номер основного исполнения KBF25.
Производитель: NBS.
P = Литой сепаратор из стеклонаполненного полиамида 6,6, центрируемый по телам качения.
Цена по запросу
Цена на подшипник зависит от:
| Обозначение | Модификация |
|---|---|
| KBF25 | Основное конструктивное исполнение. |
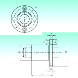
Габаритные размеры
Размеры и геометрические характеристики
Нагрузка и ресурс
Защита
Конструкция и исполнение
Подшипник шариковый радиальный 6-410805 ЛС17
Подшипник шариковый линейный 6-510805 ЛС17
Закрытый линейный подшипник скольжения LPAT 25 (SKF)
Линейный шариковый подшипник LPAR 25 (SKF)
Линейный шариковый подшипник KB2558UU (CX)
Подшипник шариковый линейный KB2558AJ (CX)