Главная > Подшипники> Линейные>KBF20

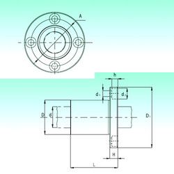
KBF20 — импортное производство по ISO стандарту, размер 20x32x45 основное исполнение.
Производитель: NBS.
Цена по запросу
Цена на подшипник зависит от:
| Обозначение | Модификация |
|---|---|
| KBF20-PP | P = Литой сепаратор из стеклонаполненного полиамида 6,6, центрируемый по телам качения. |
Габаритные размеры
Размеры и геометрические характеристики
Нагрузка и ресурс
Защита
Конструкция и исполнение
Подшипник шариковый радиальный 410804 Л
Подшипник шариковый радиальный 6-410804 ЛС17
Линейный шариковый подшипник LPAR 20 (SKF)
Линейный шариковый подшипник LPAT 20 (SKF)
Подшипник шариковый линейный KB2045OP (CX)