Главная > Подшипники> Линейные>KBF16

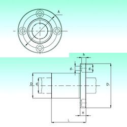
KBF16 — импортное производство по ISO стандарту, размер 16x26x36 основное исполнение.
Производитель: NBS.
Цена по запросу
Цена на подшипник зависит от:
| Обозначение | Модификация |
|---|---|
| KBF16-PP | P = Литой сепаратор из стеклонаполненного полиамида 6,6, центрируемый по телам качения. |
Габаритные размеры
Размеры и геометрические характеристики
Нагрузка и ресурс
Защита
Конструкция и исполнение
Линейный шариковый подшипник LPAR 16 (SKF)
Линейный шариковый подшипник LPAT 16 (SKF)
Подшипник шариковый линейный KB1636OP (CX)
Линейный шариковый подшипник KB1636-PP (NBS)
Подшипник шариковый линейный KB1636UU (CX)