Главная > Подшипники> Линейные>KBF12

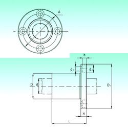
KBF12 — импортное производство по ISO стандарту, размер 12x22x32 основное исполнение.
Производитель: NBS.
Цена по запросу
Цена на подшипник зависит от:
| Обозначение | Модификация |
|---|---|
| KBF12-PP | P = Литой сепаратор из стеклонаполненного полиамида 6,6, центрируемый по телам качения. |
Габаритные размеры
Размеры и геометрические характеристики
Нагрузка и ресурс
Защита
Конструкция и исполнение
Подшипник шариковый радиальный 6-410901 Е
Подшипник шариковый линейный 6-510901 ЛС17
Закрытый линейный подшипник скольжения LPAR 12 (SKF)
Линейный шариковый подшипник LPAT 12 (SKF)
Подшипник шариковый линейный KB1232OP (CX)
Подшипник шариковый линейный KB1232AJ (CX)