Главная > Подшипники> Линейные>KBF08

KBF08 — импортное производство по ISO стандарту, размер 8x16x25 основное исполнение.
Производитель: NBS.
Цена по запросу
Цена на подшипник зависит от:
| Обозначение | Модификация |
|---|---|
| KBF08-PP | P = Литой сепаратор из стеклонаполненного полиамида 6,6, центрируемый по телам качения. |
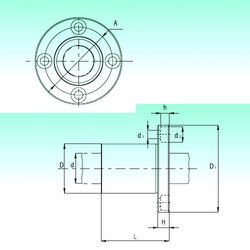
Габаритные размеры
Размеры и геометрические характеристики
Нагрузка и ресурс
Защита
Конструкция и исполнение
Линейный шариковый подшипник LPAR 8 (SKF)
Подшипник шариковый линейный KB0825AJ (CX)
Подшипник шариковый линейный KB0825UU (CX)