Главная > Подшипники> Роликовые > Упорные>K89316-TV

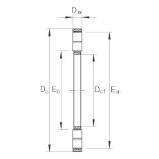
K89316-TV — Подшипник роликовый упорный, импортное производство по ISO стандарту, размер 80x140x11 номер основного исполнения 89316.
Производитель: INA.
Игольчатый роликоподшипник без колец.
TV = Твердая клетка из армированного стекловолокном полиамида, шариковая езда.
Цена от:3 112 р.
Цена на подшипник зависит от:
Габаритные размеры
Размеры и геометрические характеристики
Нагрузка и ресурс
Конструкция и исполнение
Прочие характеристики