Главная > Подшипники> Роликовые > Радиально-упорные>K559-552-A

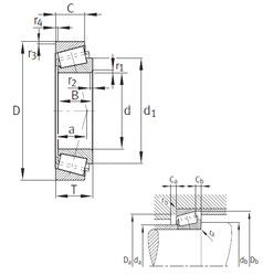
K559-552-A — Конический роликоподшипник, импортное производство по ISO стандарту, размер 63x123x38 номер основного исполнения .
Производитель: FAG.
Игольчатый роликоподшипник без колец.
A = внутренняя модификация конструкции.
Цена по запросу
Цена на подшипник зависит от:
Габаритные размеры
Размеры и геометрические характеристики
Нагрузка и ресурс
Защита
Коэффициенты для расчета
Присоединительные размеры
Конструкция и исполнение
Конический роликоподшипник 4T-559/552A (NTN)
Конический роликоподшипник 4T-559/552 (NTN)
Однорядный конический роликовый подшипник 559/552A (CX, FBJ, Fersa, ISO, TIMKEN)
Однорядный конический роликовый подшипник 559/522A (NIS, NSK)
Однорядный конический роликовый подшипник 559/552 (TIMKEN)