Главная > Подшипники> Роликовые > Радиально-упорные>K555-S-552-A

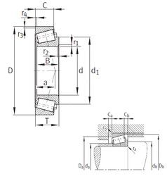
K555-S-552-A — Конический роликоподшипник, импортное производство по ISO стандарту, размер 57x123x38 номер основного исполнения .
Производитель: FAG.
Игольчатый роликоподшипник без колец.
S = смазочный паз и три отверстия в наружном кольце подшипника.
Цена по запросу
Цена на подшипник зависит от:
Габаритные размеры
Размеры и геометрические характеристики
Нагрузка и ресурс
Защита
Коэффициенты для расчета
Присоединительные размеры
Конструкция и исполнение
Конический роликоподшипник 4T-555S/552A (NTN)
Однорядный конический роликовый подшипник 555S/552A (CX, FBJ, Fersa, ISO, NIS)
Однорядный конический роликовый подшипник 555-S/552 (TIMKEN)