Главная > Подшипники> Роликовые > Радиально-упорные>K527-522

K527-522 — Подшипник роликовый конический, импортное производство по ISO стандарту, размер 44x101x34 номер основного исполнения .
Производитель: FAG.
Игольчатый роликоподшипник без колец.
Цена по запросу
Цена на подшипник зависит от:
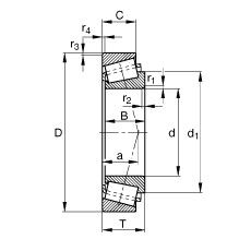
Габаритные размеры
Размеры и геометрические характеристики
Нагрузка и ресурс
Коэффициенты для расчета
Присоединительные размеры
Однорядный конический роликовый подшипник 4T-527/522 (NTN)
Однорядный конический роликовый подшипник 527/522 (CX, FBJ, Fersa, ISO, KOYO)
Подшипник роликовый радиально-упорный 527S/522 (Fersa, KOYO)