Главная > Подшипники> Роликовые > Радиально-упорные>K498-492-A

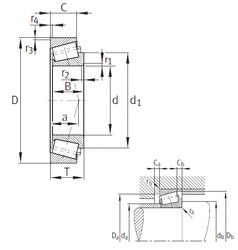
K498-492-A — Конический роликоподшипник, импортное производство по ISO стандарту, размер 84x133x30 номер основного исполнения .
Производитель: FAG.
Игольчатый роликоподшипник без колец.
A = внутренняя модификация конструкции.
Цена по запросу
Цена на подшипник зависит от:
Габаритные размеры
Размеры и геометрические характеристики
Нагрузка и ресурс
Защита
Коэффициенты для расчета
Присоединительные размеры
Конструкция и исполнение
Подшипник роликовый радиально-упорный 126084X/126133X (Gamet)
Подшипник роликовый радиально-упорный 126084X/126133XC (Gamet)
Однорядный конический роликовый подшипник 498/492A (Fersa, KOYO, NACHI, TIMKEN)
Конический роликоподшипник 4T-498/492A (NTN)