Главная > Подшипники> Роликовые > Радиально-упорные>K3982-3920

K3982-3920 — Однорядный конический роликовый подшипник, импортное производство по ISO стандарту, размер 63x112x30 номер основного исполнения .
Производитель: FAG.
Игольчатый роликоподшипник без колец.
Цена по запросу
Цена на подшипник зависит от:
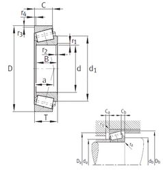
Габаритные размеры
Размеры и геометрические характеристики
Нагрузка и ресурс
Защита
Коэффициенты для расчета
Присоединительные размеры
Конструкция и исполнение
Подшипник роликовый радиально-упорный 120063X/120112X (Gamet)
Конический роликоподшипник 39585/20 (PFI)
Однорядный конический роликовый подшипник 39585/39520 (CX, FBJ, Fersa, ISO, KOYO)
Подшипник роликовый радиально-упорный 39585A/39520 (CX, FBJ, ISO, TIMKEN)
Однорядный конический роликовый подшипник 3982/3920 (AST, CX, FBJ, Fersa, ISB)
Подшипник роликовый радиально-упорный 3982/3925 (KOYO, NACHI, TIMKEN)