Главная > Подшипники> Роликовые > Радиально-упорные>K39580-39520

K39580-39520 — Подшипник роликовый конический, импортное производство по ISO стандарту, размер 57x112x30 номер основного исполнения .
Производитель: FAG.
Игольчатый роликоподшипник без колец.
Цена по запросу
Цена на подшипник зависит от:
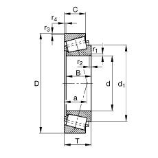
Габаритные размеры
Размеры и геометрические характеристики
Нагрузка и ресурс
Коэффициенты для расчета
Присоединительные размеры
Подшипник роликовый радиально-упорный 120057X/120112XC (Gamet)
Подшипник роликовый радиально-упорный 120057X/120112X (Gamet)
Однорядный конический роликовый подшипник 39580/39520 (CX, FBJ, Fersa, ISB, ISO)
Однорядный конический роликовый подшипник 39581/39520 (CX, FBJ, Fersa, ISO, KOYO)
Конический роликоподшипник 39580/39521 (TIMKEN)
Подшипник роликовый радиально-упорный 39580/w/2/39520/2 (CRAFT)