Главная > Подшипники> Роликовые > Радиально-упорные>K3780-3720

K3780-3720 — Подшипник роликовый конический, импортное производство по ISO стандарту, размер 50x93x30 номер основного исполнения .
Производитель: FAG.
Игольчатый роликоподшипник без колец.
Цена по запросу
Цена на подшипник зависит от:
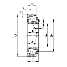
Габаритные размеры
Размеры и геометрические характеристики
Нагрузка и ресурс
Коэффициенты для расчета
Присоединительные размеры
Подшипник роликовый радиально-упорный 67910A (EPK)
Подшипник роликовый радиально-упорный 67910 А (ГПЗ-15)
Подшипник роликовый радиально-упорный 3780/3730 (CX, FBJ, ISO, KOYO, NACHI)
Однорядный конический роликовый подшипник 3780/3720B (TIMKEN)
Однорядный конический роликовый подшипник 3780/3720 (CX, FBJ, Fersa, ISB, ISO)
Подшипник роликовый радиально-упорный 3780/3727 (Fersa)