Главная > Подшипники> Роликовые > Радиально-упорные>K33889-33822

K33889-33822 — Подшипник роликовый конический, импортное производство по ISO стандарту, размер 50x95x27 номер основного исполнения .
Производитель: FAG.
Игольчатый роликоподшипник без колец.
Цена по запросу
Цена на подшипник зависит от:
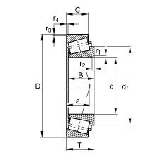
Габаритные размеры
Размеры и геометрические характеристики
Нагрузка и ресурс
Коэффициенты для расчета
Присоединительные размеры
Подшипник роликовый упорный 89310 (CX, INA, ISO, NTN)
Подшипник роликовый радиальный с короткими цилиндрическими роликами без наружного кольца 502310 КМ (ГПЗ-10)
Подшипник упорный с цилиндрическими роликами одинарный двухрядный 4-9889310 (ГПЗ-4)
Подшипник упорный с цилиндрическими роликами одинарный двухрядный 9889310
Однорядный конический роликовый подшипник 33889/33821 (AST, CX, FBJ, Fersa, ISO)
Однорядный конический роликовый подшипник 33889/33822 (Fersa, KOYO, TIMKEN)