Главная > Подшипники> Роликовые > Радиально-упорные>K3382-3320

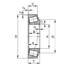
K3382-3320 — Однорядный конический роликовый подшипник, импортное производство по ISO стандарту, размер 39x80x29 номер основного исполнения .
Производитель: FAG.
Игольчатый роликоподшипник без колец.
Цена по запросу
Цена на подшипник зависит от:
Габаритные размеры
Размеры и геометрические характеристики
Нагрузка и ресурс
Коэффициенты для расчета
Присоединительные размеры
Однорядный конический роликовый подшипник 26880/26821 (TIMKEN)
Однорядный конический роликовый подшипник 3382/3331 (CX, FBJ, ISO, TIMKEN)
Однорядный конический роликовый подшипник 3382/3320 (CX, FBJ, Fersa, ISO, TIMKEN)
Однорядный конический роликовый подшипник 3382/3339 (CX, FBJ, ISO, TIMKEN)
Однорядный конический роликовый подшипник 3386/3331 (TIMKEN)
Однорядный конический роликовый подшипник 3386/3320 (CX, FBJ, Fersa, ISO, KOYO)