Главная > Подшипники> Роликовые > Радиально-упорные>K15106-15250-X

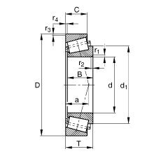
K15106-15250-X — Подшипник роликовый конический, импортное производство по ISO стандарту, размер 26x63x20 номер основного исполнения .
Производитель: FAG.
Игольчатый роликоподшипник без колец.
X = Внешние размеры, соответствующие международным стандартам.
Цена по запросу
Цена на подшипник зависит от:
Габаритные размеры
Размеры и геометрические характеристики
Нагрузка и ресурс
Коэффициенты для расчета
Присоединительные размеры
Конический роликоподшипник 15106/250X (PFI)
Однорядный конический роликовый подшипник 15106/15250 (Fersa)
Однорядный конический роликовый подшипник 15106/15250X (Fersa, TIMKEN)
Конический роликоподшипник 4T-15106/15250X (NTN)