Главная > Подшипники> Роликовые > Радиально-упорные>K107060-107105

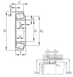
K107060-107105 — Однорядный конический роликовый подшипник, импортное производство по ISO стандарту, размер 152x268x74 номер основного исполнения .
Производитель: FAG.
Игольчатый роликоподшипник без колец.
Цена по запросу
Цена на подшипник зависит от:
Габаритные размеры
Размеры и геометрические характеристики
Нагрузка и ресурс
Защита
Коэффициенты для расчета
Присоединительные размеры
Конструкция и исполнение