Главная > Подшипники> Роликовые > Радиально-упорные>JS3549A/JS3510

JS3549A/JS3510 — Однорядный конический роликовый подшипник, импортное производство по ISO стандарту, размер 35x70x24 номер основного исполнения .
Производится брендами: FBJ, TIMKEN.
A = Модифицированная внутренняя конструкция. J = Штампованный стальной сепаратор, центрируемый по роликам.
Цена по запросу
Цена на подшипник зависит от:
Габаритные размеры
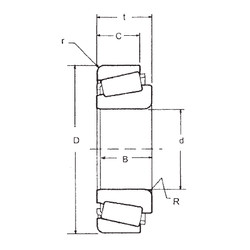
Размеры и геометрические характеристики
Нагрузка и ресурс
Защита
Коэффициенты для расчета
Присоединительные размеры
Конструкция и исполнение
Конический роликоподшипник 4T-CR-07A14 (NTN)
Конический роликоподшипник 4T-JS3549A/JS3510 (NTN)
Подшипник роликовый радиально-упорный HI-CAP 57213 (KOYO)
Подшипник роликовый радиально-упорный JS3549A/10 (CX, ISO)