Главная > Подшипники> Роликовые > Радиально-упорные>JM734449/JM734410

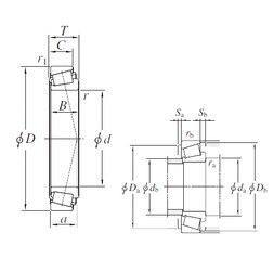
JM734449/JM734410 — Однорядный конический роликовый подшипник, импортное производство по ISO стандарту, размер 170x240x46 номер основного исполнения .
Производится брендами: KOYO, NIS, NSK, TIMKEN.
J = Сепаратор стальной штампованный незакалённый.
Цена от:11 713 р.
Цена на подшипник зависит от:
Габаритные размеры
Размеры и геометрические характеристики
Нагрузка и ресурс
Защита
Коэффициенты для расчета
Присоединительные размеры
Конструкция и исполнение
Прочие характеристики
Конический роликоподшипник 4T-JM734449/JM734410 (NTN)
Подшипник роликовый радиально-упорный JM734449/10 (CX, ISO)