Главная > Подшипники> Роликовые > Радиально-упорные>JM720249/JM720210

JM720249/JM720210 — Однорядный конический роликовый подшипник, импортное производство по ISO стандарту, размер 100x155x36 номер основного исполнения .
Производится брендами: AST, FBJ, Fersa, KOYO, NIS, NSK, TIMKEN.
J = Сепаратор стальной штампованный незакалённый.
Цена от:4 078 р.
Цена на подшипник зависит от:
Габаритные размеры
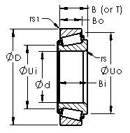
Размеры и геометрические характеристики
Нагрузка и ресурс
Защита
Коэффициенты для расчета
Присоединительные размеры
Конструкция и исполнение
Прочие характеристики
Конический роликоподшипник 4T-JM720249/JM720210 (NTN)
Подшипник роликовый радиально-упорный JM720249/10 (CX, ISO)
Однорядный конический роликовый подшипник KJM720249-JM720210 (FAG)