Главная > Подшипники> Роликовые > Радиально-упорные>JM719149/JM719113

JM719149/JM719113 — Однорядный конический роликовый подшипник, импортное производство по ISO стандарту, размер 95x150x35 номер основного исполнения .
Производится брендами: FBJ, Fersa, KOYO, NIS, NSK, TIMKEN.
J = Сепаратор стальной штампованный незакалённый.
Цена по запросу
Цена на подшипник зависит от:
Габаритные размеры
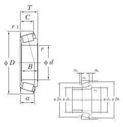
Размеры и геометрические характеристики
Нагрузка и ресурс
Защита
Коэффициенты для расчета
Присоединительные размеры
Конструкция и исполнение
Прочие характеристики
Подшипник роликовый радиально-упорный 131095/131150C (Gamet)
Подшипник роликовый радиально-упорный 131095/ 131150 (Gamet)
Однорядный конический роликовый подшипник 4T-JM719149/JM719113 (NTN)
Однорядный конический роликовый подшипник 594/593X (CX, Fersa, ISO, NACHI, TIMKEN)
Конический роликоподшипник 594AA/JM719113 (TIMKEN)
Конический роликоподшипник 594/JM719113 (TIMKEN)