Главная > Подшипники> Роликовые > Радиально-упорные>JLMI04948/LM104911

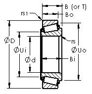
JLMI04948/LM104911 — Конический роликоподшипник дюймовая серия, импортное производство по ISO стандарту, размер 50x82x21 номер основного исполнения .
Производитель: AST.
L = массивный сепаратор из лёгкого сплава.
Цена по запросу
Цена на подшипник зависит от:
Габаритные размеры
Размеры и геометрические характеристики
Присоединительные размеры
Конструкция и исполнение
Прочие характеристики
Подшипник роликовый радиально-упорный 7710 А
Конический роликоподшипник 4T-JLM104948/JLM104910 (NTN)
Конический роликоподшипник 4T-LM104949/LM104911 (NTN)
Конический роликоподшипник AB32010X/YKB32010X (TIMKEN)
Однорядный конический роликовый подшипник EC35231 (SNR)
Конический роликоподшипник H-LM104949/H-LM104912 (NACHI)