Главная > Подшипники> Роликовые > Радиально-упорные>JLM506849E/JLM506810E

JLM506849E/JLM506810E — Конический роликоподшипник, импортное производство по ISO стандарту, размер 55x90x23 номер основного исполнения .
Производитель: NACHI.
EJ = стальной сепаратор.
Цена от:1 301 р.
Цена на подшипник зависит от:
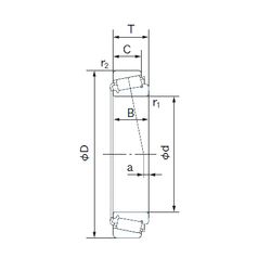
Габаритные размеры
Размеры и геометрические характеристики
Нагрузка и ресурс
Защита
Коэффициенты для расчета
Присоединительные размеры
Конструкция и исполнение
Однорядный конический роликовый подшипник 32011 (CRAFT, CYSD, FBJ, ISB, ISO)
Подшипник шариковый радиально-упорный 986711 (ГПЗ-1)
Подшипник шариковый радиально-упорный 986711 С9
Подшипник роликовый радиально-упорный 2007111A (EPK)
Подшипник роликовый радиально-упорный конический однорядный 2007111 (32011X)