Главная > Подшипники> Роликовые > Радиально-упорные>JL69349/JL69310

JL69349/JL69310 — Однорядный конический роликовый подшипник, импортное производство по ISO стандарту, размер 38x63x17 номер основного исполнения .
Производится брендами: AST, FBJ, Fersa, KBC, KOYO, NIS, NSK, TIMKEN.
J = Сепаратор стальной штампованный незакалённый.
Цена от:390 р.
Цена на подшипник зависит от:
Габаритные размеры
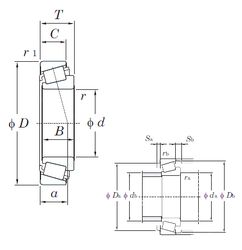
Размеры и геометрические характеристики
Нагрузка и ресурс
Защита
Коэффициенты для расчета
Присоединительные размеры
Конструкция и исполнение
Прочие характеристики
Подшипник роликовый радиально-упорный 20070/38A (EPK)
Однорядный конический роликовый подшипник 4T-JL69349/JL69310 (NTN)
Подшипник роликовый радиально-упорный 513-716A (FLT)
Однорядный конический роликовый подшипник BT1B 332821BA/Q (SKF)
Однорядный конический роликовый подшипник BT1B445557A (SKF)
Однорядный конический роликовый подшипник EC41025H106 (SNR)