Главная > Подшипники> Роликовые > Радиально-упорные>JK0S070-A

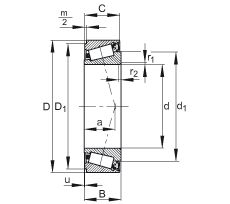
JK0S070-A — Однорядный конический роликовый подшипник, импортное производство по ISO стандарту, размер 70x110x27 номер основного исполнения .
Производитель: FAG.
S = смазочный паз и три отверстия в наружном кольце подшипника.
Цена по запросу
Цена на подшипник зависит от:
Габаритные размеры
Размеры и геометрические характеристики
Нагрузка и ресурс
Коэффициенты для расчета
Присоединительные размеры