Главная > Подшипники> Роликовые > Радиально-упорные>JK0S060

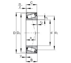
JK0S060 — Однорядный конический роликовый подшипник, импортное производство по ISO стандарту, размер 60x95x26 номер основного исполнения .
Производитель: FAG.
S = смазочный паз и три отверстия в наружном кольце подшипника.
Цена по запросу
Цена на подшипник зависит от:
Габаритные размеры
Размеры и геометрические характеристики
Нагрузка и ресурс
Коэффициенты для расчета
Присоединительные размеры
Подшипник шариковый упорный однонаправленный 51212 (AST, CRAFT, CX, FAG, FBJ)
Роликовый цилиндрический упорный подшипник 81212 (CX, INA, ISO, NIS, NTN)
Подшипник роликовый радиальный двухрядный с короткими цилиндрическими роликами с коническим отверстием внутреннего кольца с бортами на внутреннем кольце 3182112
Подшипник роликовый радиальный двухрядный с короткими цилиндрическими роликами с цилиндрическим отверстием внутреннего кольца с бортами на внутреннем кольце 3282112
Подшипник роликовый радиальный 2-3182112 (ГПЗ-1)
Подшипник роликовый радиальный двухрядный с короткими цилиндрическими роликами с коническим отверстием внутреннего кольца с бортами на внутреннем кольце 2-3182112 Л