Главная > Подшипники> Роликовые > Радиально-упорные>JHM720249/JHM720210

JHM720249/JHM720210 — Однорядный конический роликовый подшипник, импортное производство по ISO стандарту, размер 100x160x41 номер основного исполнения .
Производится брендами: FBJ, Fersa, KOYO, NIS, NSK, TIMKEN.
J = Штампованный металлический фиксатор, направляющий элемент качения. H = Штампованный защелкивающийся стальной сепаратор, закаленный.
Цена по запросу
Цена на подшипник зависит от:
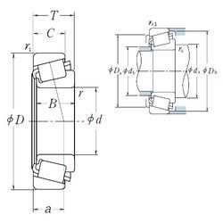
Габаритные размеры
Размеры и геометрические характеристики
Нагрузка и ресурс
Защита
Коэффициенты для расчета
Присоединительные размеры
Конструкция и исполнение
Прочие характеристики
Однорядный конический роликовый подшипник 4T-JHM720249/JHM720210 (NTN)
Однорядный конический роликовый подшипник JHM720249/10 (CX, ISO)