Главная > Подшипники> Роликовые > Радиально-упорные>JHM516849/JHM516810

JHM516849/JHM516810 — Однорядный конический роликовый подшипник, импортное производство по ISO стандарту, размер 85x140x39 номер основного исполнения .
Производится брендами: FBJ, Fersa, KOYO, NIS, NSK, TIMKEN.
J = Штампованный металлический фиксатор, направляющий элемент качения. H = Штампованный защелкивающийся стальной сепаратор, закаленный.
Цена по запросу
Цена на подшипник зависит от:
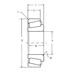
Габаритные размеры
Размеры и геометрические характеристики
Нагрузка и ресурс
Защита
Коэффициенты для расчета
Присоединительные размеры
Конструкция и исполнение
Прочие характеристики
Конический роликоподшипник 4T-JHM516849/JHM516810 (NTN)
Подшипник роликовый радиально-упорный JHM516849/10 (CX, ISO)