Главная > Подшипники> Роликовые > Радиально-упорные>IKOS160

IKOS160 — Конический роликоподшипник, импортное производство по ISO стандарту, размер 160x240x54 основное исполнение.
Производитель: NKE.
S1 = Кольца подшипника стабилизированы для рабочих температур до + 200 С.
Цена по запросу
Цена на подшипник зависит от:
Габаритные размеры
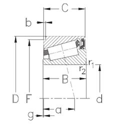
Размеры и геометрические характеристики
Нагрузка и ресурс
Защита
Коэффициенты для расчета
Присоединительные размеры
Конструкция и исполнение
Другие размеры