Главная > Подшипники> Роликовые > Радиально-упорные>IKOS090

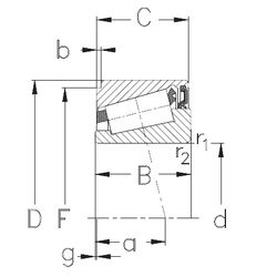
IKOS090 — Конический роликоподшипник, импортное производство по ISO стандарту, размер 90x140x33 основное исполнение.
Производитель: NKE.
S = смазочный паз и три отверстия в наружном кольце подшипника.
Цена по запросу
Цена на подшипник зависит от:
Габаритные размеры
Размеры и геометрические характеристики
Нагрузка и ресурс
Защита
Коэффициенты для расчета
Присоединительные размеры
Конструкция и исполнение
Другие размеры