Главная > Подшипники> Роликовые > Радиально-упорные>IKOS045

IKOS045 — Конический роликоподшипник, импортное производство по ISO стандарту, размер 45x75x22 основное исполнение.
Производитель: NKE.
S = смазочный паз и три отверстия в наружном кольце подшипника.
Цена по запросу
Цена на подшипник зависит от:
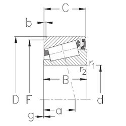
Габаритные размеры
Размеры и геометрические характеристики
Нагрузка и ресурс
Защита
Коэффициенты для расчета
Присоединительные размеры
Конструкция и исполнение
Другие размеры
Игольчатый роликоподшипник NK15X75X22 (NTN)
Конический роликоподшипник 4T-CR-09B11 (NTN)