Главная > Подшипники> Роликовые > Радиально-упорные>IKOS040

IKOS040 — Однорядный конический роликовый подшипник, импортное производство по ISO стандарту, размер 40x68x21 основное исполнение.
Производитель: NKE.
S = смазочный паз и три отверстия в наружном кольце подшипника.
Цена по запросу
Цена на подшипник зависит от:
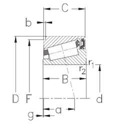
Габаритные размеры
Размеры и геометрические характеристики
Нагрузка и ресурс
Защита
Коэффициенты для расчета
Присоединительные размеры
Конструкция и исполнение
Другие размеры
Цилиндрический роликоподшипник NN3008 (CX, CYSD, FAG, ISO, KOYO)
Подшипник однорядный шариковый радиальный 63008 (NIS, SKF)
Подшипник роликовый радиальный двухрядный с короткими цилиндрическими роликами с коническим отверстием внутреннего кольца с бортами на внутреннем кольце 3182108
Подшипник роликовый цилиндрический двухрядный NN3008 AS.K.M.SP (FAG, INA)
Подшипник роликовый цилиндрический двухрядный NN3008 AS.M.SP (FAG)