Главная > Подшипники> Роликовые > Радиально-упорные>IKOS035

IKOS035 — Конический роликоподшипник, импортное производство по ISO стандарту, размер 35x62x20 основное исполнение.
Производитель: NKE.
S = смазочный паз и три отверстия в наружном кольце подшипника.
Цена по запросу
Цена на подшипник зависит от:
Габаритные размеры
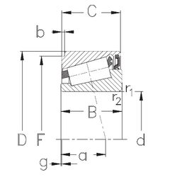
Размеры и геометрические характеристики
Нагрузка и ресурс
Защита
Коэффициенты для расчета
Присоединительные размеры
Конструкция и исполнение
Другие размеры
Подшипник однорядный шариковый радиальный 63007 (NIS, SKF)
Подшипник роликовый радиальный двухрядный с короткими цилиндрическими роликами с коническим отверстием внутреннего кольца с бортами на внутреннем кольце 3182107
Подшипник однорядный шариковый радиальный 63007 2RSR (SKF)
Подшипник роликовый радиальный 2-3182107 (ГПЗ-1)
Подшипник роликовый радиальный 2-3182107 К (ГПЗ-1)
Подшипник роликовый радиальный двухрядный с короткими цилиндрическими роликами с коническим отверстием внутреннего кольца с бортами на внутреннем кольце 2-3182107 Л