Главная > Подшипники> Роликовые > Радиально-упорные>IKOS030

IKOS030 — Однорядный конический роликовый подшипник, импортное производство по ISO стандарту, размер 30x55x19 основное исполнение.
Производитель: NKE.
S = смазочный паз и три отверстия в наружном кольце подшипника.
Цена по запросу
Цена на подшипник зависит от:
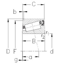
Габаритные размеры
Размеры и геометрические характеристики
Нагрузка и ресурс
Защита
Коэффициенты для расчета
Присоединительные размеры
Конструкция и исполнение
Другие размеры
Подшипник роликовый цилиндрический двухрядный NN3006 (CX, CYSD, FAG, ISO, KOYO)
Подшипник однорядный шариковый радиальный 63006 (FAG, NIS)
Подшипник роликовый радиальный двухрядный с короткими цилиндрическими роликами с коническим отверстием внутреннего кольца с бортами на внутреннем кольце 3182106 (ГПЗ-1)
Подшипник роликовый цилиндрический двухрядный NN3006 AS.K.M.SP (FAG, INA)
Подшипник однорядный шариковый радиальный 63006 2RSR (FAG)