Главная > Подшипники> Роликовые > Радиально-упорные>IKOS020

IKOS020 — Однорядный конический роликовый подшипник, импортное производство по ISO стандарту, размер 20x42x17 основное исполнение.
Производитель: NKE.
S = смазочный паз и три отверстия в наружном кольце подшипника.
Цена по запросу
Цена на подшипник зависит от:
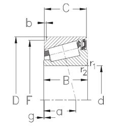
Габаритные размеры
Размеры и геометрические характеристики
Нагрузка и ресурс
Защита
Коэффициенты для расчета
Присоединительные размеры
Конструкция и исполнение
Другие размеры