Главная > Подшипники> Шариковые> Радиально-упорные>HX85 /S 7CE1

HX85 /S 7CE1 — Радиально-упорный шарикоподшипник, импортное производство по ISO стандарту, размер 85x130x22 номер основного исполнения .
Производитель: SNFA.
С = фенольная смола. E = Расположение внешнего сепаратора. 1 = CD (SKF) = 15 градусов угол контакта.
Цена по запросу
Цена на подшипник зависит от:
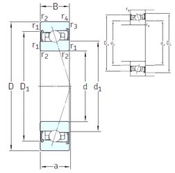
Габаритные размеры
Размеры и геометрические характеристики
Нагрузка и ресурс
Защита
Коэффициенты для расчета
Присоединительные размеры
Конструкция и исполнение
Другие размеры
Однорядный цилиндрический роликовый подшипник NU1017 (CX, CYSD, FBJ, ISB, ISO)
Подшипник шариковый радиально-упорный 7017 (CYSD, KOYO, NACHI, NTN, SKF)
Подшипник шариковый однорядный радиально-упорный B7017 C.T.P4S.UL (FAG)
Подшипник шариковый однорядный радиально-упорный B7017 E.T.P4S.UL (FAG)