Главная > Подшипники> Шариковые> Радиально-упорные>HX55 /S/NS 7CE1

HX55 /S/NS 7CE1 — Радиально-упорный шарикоподшипник, импортное производство по ISO стандарту, размер 55x90x18 номер основного исполнения .
Производитель: SNFA.
С = фенольная смола. E = Расположение внешнего сепаратора. 1 = CD (SKF) = 15 градусов угол контакта.
Цена по запросу
Цена на подшипник зависит от:
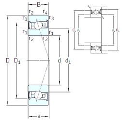
Габаритные размеры
Размеры и геометрические характеристики
Нагрузка и ресурс
Защита
Коэффициенты для расчета
Присоединительные размеры
Конструкция и исполнение
Другие размеры
Однорядный цилиндрический роликовый подшипник NU1011 (CX, CYSD, FBJ, ISB, ISO)
Подшипник однорядный шариковый радиальный 6011 (FAG, NIS)
Подшипник шариковый однорядный радиально-упорный B7011 E.T.P4S.UL (FAG)