Главная > Подшипники> Шариковые> Радиально-упорные>HX50 /S/NS 7CE3

HX50 /S/NS 7CE3 — Радиально-упорный шарикоподшипник, импортное производство по ISO стандарту, размер 50x80x16 номер основного исполнения .
Производитель: SNFA.
S = смазочный паз и три отверстия в наружном кольце подшипника.
Цена по запросу
Цена на подшипник зависит от:
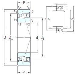
Габаритные размеры
Размеры и геометрические характеристики
Нагрузка и ресурс
Защита
Присоединительные размеры
Конструкция и исполнение
Другие размеры
Однорядный цилиндрический роликовый подшипник NU1010 (CX, CYSD, FBJ, ISB, ISO)
Подшипник шариковый однорядный радиально-упорный 7010 (CYSD, KOYO, NACHI, NTN, SKF)
Подшипник шариковый однорядный радиально-упорный B7010 C.T.P4S.UL (FAG)
Подшипник шариковый однорядный радиально-упорный B7010 E.T.P4S.UL (FAG)
Однорядный цилиндрический роликовый подшипник NU1010 M (AST, SKF)