Главная > Подшипники> Шариковые> Радиально-упорные>HX40 /S 7CE1

HX40 /S 7CE1 — Радиально-упорный шарикоподшипник, импортное производство по ISO стандарту, размер 40x68x15 номер основного исполнения .
Производитель: SNFA.
С = фенольная смола. E = Расположение внешнего сепаратора. 1 = CD (SKF) = 15 градусов угол контакта.
Цена по запросу
Цена на подшипник зависит от:
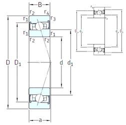
Габаритные размеры
Размеры и геометрические характеристики
Нагрузка и ресурс
Защита
Коэффициенты для расчета
Присоединительные размеры
Конструкция и исполнение
Другие размеры
Однорядный цилиндрический роликовый подшипник NU1008 (CX, CYSD, FAG, FBJ, ISB)
Подшипник шариковый радиальный однорядный 108
Подшипник шариковый радиальный однорядный 8108
Подшипник шариковый радиально-упорный 746108 (ГПЗ-2)