Главная > Подшипники> Шариковые> Радиально-упорные>HX30 /S 7CE3

HX30 /S 7CE3 — Радиально-упорный шарикоподшипник, импортное производство по ISO стандарту, размер 30x55x13 номер основного исполнения .
Производитель: SNFA.
S = смазочный паз и три отверстия в наружном кольце подшипника.
Цена по запросу
Цена на подшипник зависит от:
Габаритные размеры
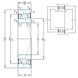
Размеры и геометрические характеристики
Нагрузка и ресурс
Защита
Присоединительные размеры
Конструкция и исполнение
Подшипник шариковый радиальный однорядный с двухсторонним уплотнением 180106
Подшипник шариковый радиальный однорядный 106
Подшипник шариковый радиальный однорядный с одной защитной шайбой 60106
Подшипник шариковый радиальный однорядный с двумя защитными шайбами 80106
Подшипник шариковый радиально-упорный 746106 (ГПЗ-2)
Однорядный цилиндрический роликовый подшипник NU1006 M1 (FAG)