Главная > Подшипники> Шариковые> Радиально-упорные>HX100 /S 7CE3

HX100 /S 7CE3 — Радиально-упорный шарикоподшипник, импортное производство по ISO стандарту, размер 100x150x24 номер основного исполнения .
Производитель: SNFA.
S = смазочный паз и три отверстия в наружном кольце подшипника.
Цена по запросу
Цена на подшипник зависит от:
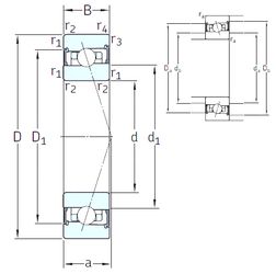
Габаритные размеры
Размеры и геометрические характеристики
Нагрузка и ресурс
Защита
Присоединительные размеры
Конструкция и исполнение
Другие размеры
Однорядный цилиндрический роликовый подшипник NU1020 (CX, CYSD, FBJ, ISB, ISO)
Подшипник шариковый однорядный радиально-упорный 7020 (CYSD, KOYO, NACHI, NSK, NTN)
Подшипник шариковый однорядный радиально-упорный B7020 E.T.P4S.UL (FAG)
Подшипник шариковый однорядный радиально-упорный HS7020 C.T.P4S.UL (FAG)